产品中心
电机及驱动
编码器和光栅尺
传感器
压电陶瓷喷射阀
机械传动 丝杆导轨
分度器
电磁阀 气缸
电磁铁
气体弹簧
行业应用
手术电动工具
医疗设备
医疗输液系统
工业电动工具
临床诊断
机器人
航空航天
自动化/机器人
其它应用
服务和支持
服务
支持
新闻中心
ESCAP动态
行业资讯
关于ESCAP
企业概况
发展历程
企业文化
荣誉资质
人才发展
联系我们
联系方式
在线留言
首页
>>
ELECTRO-CRAFT
>>
步进电机
简化即是创新
TP34步进电机
无刷直流电机
减速电机
内置交流电动机
集成电机驱动
线性执行器
马达驱动
PMDC有刷电机
步进电机
轮驱动
尺寸:
Nema 34,1.8°
峰值扭矩:
连续失速扭矩:
速度:
最高34 RPS
有力。坚固。 这款1.8°尺寸34混合直流步进电机带有超坚固的外壳,可在您需要中等大小,强大扭矩且耐用性更高的情况下使用。电机完全由永久润滑的球轴承封闭。双向尺寸34具有±3%的步距
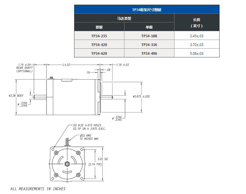
轮廓图
速度/转矩曲线
TP34外形图
TP34速度/转矩曲线
双极
单极
网站地图
PORTESCAP
无刷直流电机
有刷直流电机
步进电机
配件
行业应用
手术电动工具
医疗设备
医疗输液系统
工业电动工具
临床诊断
机器人
航空航天
自动化/机器人
其它应用
服务和支持
服务
支持
新闻中心
ESCAP动态
行业资讯
关于ESCAP
人才发展
联系我们
公司品牌
© 深圳市伊斯凯普电子有限公司 版权所有
粤ICP备13078316号-3